加入收藏
联系我们
首页
关于我们
产品展示
营销网络
解决方案
人力资源
联系我们
公司简介
组织机构
企业文化
价值理念
工业自动化
SMI-200数字式通用综合保护装置
SMI-600数字式微机保护测控装置
SMI-800数字式微机保护测控装置
可编程微机保护测控装置
变电站自动化系统
SMI-Y20电力仪表
国内市场
国际市场
人才战略
招聘信息
在线应聘
产品展示
SMI-200数字式通用综合保护装置
SMI-600数字式微机保护测控装置
SMI-800数字式微机保护测控装置
可编程微机保护测控装置
变电站自动化系统
SMI-Y20电力仪表
工业自动化
当前位置
:
首页
>
产品展示
>
SMI-600数字式微机保护测控装置
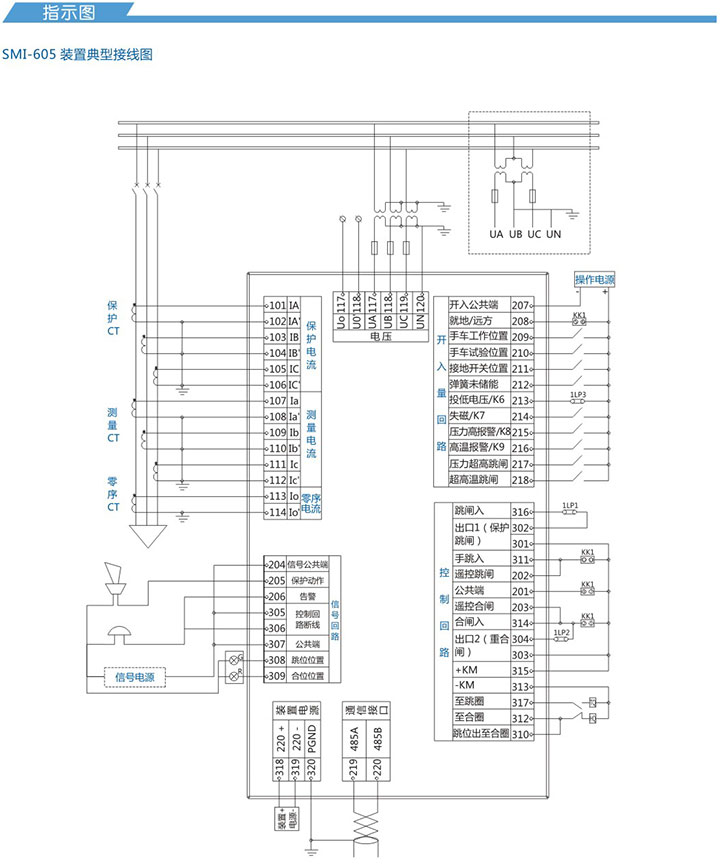
> SMI-605数字式电动机保护测控装置
SMI-605数字式电动机保护测控装置
网站首页
关于我们
产品展示
营销网络
解决方案
人力资源
联系我们
电话:021-62441616(总机) 热线:021-62440907
版权所有 © 2013-2024 上茗公司 沪ICP备10021395号 技术支持:
彩圣科技品牌网站建设